数字逻辑中的计数器

计数器作为数字逻辑设计的基石,不仅仅是简单的时钟脉冲累加器,它是现代计算系统时序控制的“心跳”。在我们刚刚接触数字电路时,可能会觉得计数器只是一些触发器的堆叠,但当我们深入到 2026 年的硬件开发环境中,你会发现它是连接物理时钟信号与软件逻辑的关键桥梁。在这篇文章中,我们将深入探讨计数器的经典原理,并结合最新的 AI 辅助开发趋势(如 Agentic AI 和 Vibe Coding),分享我们在现代数字逻辑设计中的实战经验。

经典回顾:异步与同步计数器

让我们先回到基础。在数字逻辑的世界里,计数器根据时钟信号的连接方式,主要分为两大阵营:异步计数器(行波计数器)和同步计数器。

异步计数器:简单却带“时序债务”的设计

在异步计数器中,并没有一个全局的时钟树来驱动所有的触发器。只有第一个触发器由主时钟驱动,随后的每个触发器都“骑驴找马”,以前一个触发器的输出作为自己的时钟输入。

我们眼中的“波纹效应”

从时序图可以看出,Q0 在时钟的上升沿立即变化,而 Q1 必须等待 Q0 完成变化后才能触发。这种逐级传递的延迟在电路中产生了一种“波纹效应”。虽然这种设计硬件开销极小,但在高速场景下,它就像一个未经优化的递归算法,延迟会随着位数增加而累积,导致严重的时序违规。

> 工程经验提示:在我们的实际项目中,异步计数器通常只用于对速度要求不高的分频电路,或者作为芯片内部复位产生逻辑的一部分,绝不能用于高性能时钟的主路径。

同步计数器:并行处理的艺术

与异步计数器不同,同步计数器使用单一的全局时钟同时驱动所有触发器。这意味着所有的状态变化是并行发生的,不存在累积延迟的问题。代价是电路逻辑的复杂性增加,我们需要额外的组合逻辑来控制每个触发器的输入。

!Synchronous-counter-circuit同步计数器电路

!Timing-diagram-synchronous-counter同步计数器时序图

并行设计的代价与收益

为了实现同步,所有触发器的输入端必须连接复杂的逻辑门(如与门阵列)。在 2026 年的视角下,这种“以空间换时间”的设计思想正是现代高性能计算的基础。虽然逻辑门的增加带来了微小的功耗和面积开销,但换来的是确定的高频性能,这在现代GHz级别的时序设计中是不可妥协的。

十进制计数器:从二进制到人类的接口

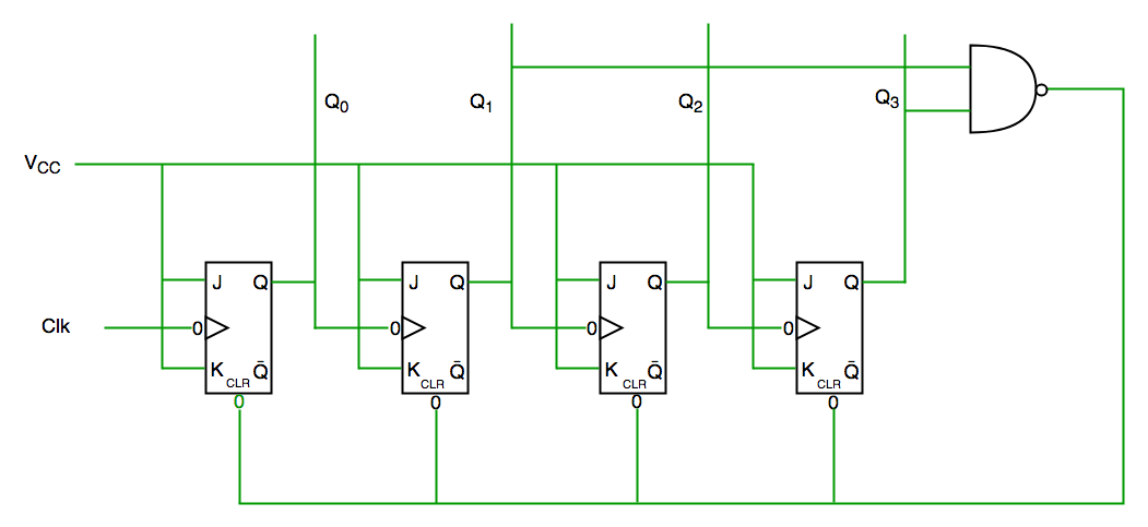
计算机内部讲二进制,但人类习惯十进制。这就是为什么我们需要 Decade Counter(十进制计数器)。它从 0 计数到 9 后自动重置。为了实现这一点,我们通常会利用额外的逻辑门(如与非门)来检测特定状态(例如 1010,即十进制的 10)并触发复位。

简单十进制计数器的真值表

时钟脉冲

Q3

Q2

Q1

Q0 —

— 0

0

0

0

0 1

0

0

0

1 2

0

0

1

0 3

0

0

1

1 4

0

1

0

0 5

0

1

0

1 6

0

1

1

0 7

0

1

1

1 8

1

0

0

0 9

1

0

0

1 10

0

0

0

0

!decade-counter-circuit-diagram十进制计数器电路图

设计细节解析

从电路图中我们可以看到一个连接到 Q3 和 Q1 的与非门。当计数器达到 10(二进制 1010)时,Q3 和 Q1 同时为高电平,与非门输出低电平,瞬间激活清除输入。这种利用组合逻辑反馈来控制计数序列的方法,是有限状态机(FSM)设计的雏形。

2026 技术前沿:AI 时代的计数器设计范式

在 2026 年,数字逻辑设计已经不再仅仅是手工绘制电路图。作为一名现代工程师,我们不仅要掌握原理,更要懂得如何利用先进的生产力工具来优化设计流程。让我们看看最新的技术趋势如何影响计数器的设计与调试。

Vibe Coding 与 Agentic AI:从手工设计到意图驱动

你是否想过,在未来的某一天,我们不再手动编写 Verilog 或 VHDL 代码来实现计数器?这并非科幻。

我们称之为“Vibe Coding”(氛围编程):在 2026 年,我们经常使用 AI IDE(如 Cursor 或 Windsurf)作为我们的结对编程伙伴。对于计数器这种标准逻辑,我们不再关注每一个语法细节,而是用自然语言描述意图:“请设计一个支持异步复位、同步加载的 8 位同步计数器,具有使能功能。”
Agentic AI 代理 甚至可以自动为我们生成测试平台并完成仿真。你可能会问:“这会不会让工程师失业?” 恰恰相反,这让我们从繁琐的语法错误中解放出来,专注于更高层次的架构设计。

LLM 驱动的时序调试

在设计同步计数器时,最容易遇到的问题就是竞争冒险建立时间违规。以前我们需要花费数小时在波形图(如 Verdi 或 GTKWave)中逐个信号比对。现在,我们可以利用 LLM(大型语言模型)来分析波形日志。

举个例子,在我们最近的一个项目中,遇到了计数器在高速时钟下跳变的问题。我们将仿真日志和 RTL 代码片段喂给 AI Agent,它迅速指出了一个潜在的组合逻辑环路延迟问题,并建议了流水线插入的方案。这种“智能辅助调试”在 2026 年已成为标准工作流。

工程实战:现代计数器的硬件描述语言实现

让我们走出理论,看看在 2026 年的生产级代码中,我们如何编写一个健壮的计数器。我们将使用 SystemVerilog 来展示,因为它支持更丰富的数据类型和断言。

示例 1:具备鲁棒性的通用同步计数器

下面是一个带有时钟使能、同步复位和并行加载功能的 4 位计数器。注意看我们是如何处理“边缘情况”的。

// 这是一个符合 2026 年工业标准的 SystemVerilog 计数器模块
// 使用 unique case 来确保并行逻辑的完整性
module robust_counter #(
    parameter WIDTH = 4
) (
    input  logic                   clk,      // 全局时钟,推荐由 PLL 驱动
    input  logic                   rst_n,    // 低电平有效的异步复位
    input  logic                   enable,   // 计数使能信号(节省功耗)
    input  logic                   load,     // 并行加载控制
    input  logic [WIDTH-1:0]       data_in,  // 并行加载数据
    input  logic                   mode,     // 0: 加法计数, 1: 减法计数
    output logic [WIDTH-1:0]       count,
    output logic                   overflow  // 计数溢出标志
);

    // 内部信号声明
    logic [WIDTH-1:0] count_next;

    // 始终使用非阻塞赋值(Non-blocking Assignment <=)来推断触发器
    always_ff @(posedge clk or negedge rst_n) begin
        if (!rst_n) begin
            // 异步复位:这是为了上电初始化,必须放在第一行
            count <= '0;
        end else begin
            // 同步逻辑:所有状态变化都在时钟边缘发生
            unique case (1'b1) 
                load: begin
                    // 优先级处理:加载信号优先于计数
                    count <= data_in; 
                end
                enable: begin
                    count <= count_next;
                end
                default: begin
                    // 保持上一次的值,这是低功耗设计的体现
                    count <= count; 
                end
            endcase
        end
    end

    // 组合逻辑:计算下一个状态
    // 这里使用 always_comb 而不是 assign,为了方便代码扩展
    always_comb begin
        if (mode) begin
            count_next = count - 1; // 下行计数
        end else begin
            count_next = count + 1; // 上行计数
        end
    end

    // 溢出检测:组合逻辑生成,用于中断或级联
    assign overflow = enable & ((mode && count == 0) || (!mode && count == {WIDTH{1'b1}}));

endmodule

代码设计哲学

  • 参数化设计:通过 parameter 使得模块可以适配 4 位、8 位甚至 32 位场景,避免重复造轮子。
  • 低功耗意识:加入了 enable 信号。在边缘计算设备中,如果不计数,时钟门控应该关闭,这行代码暗示了综合工具进行时钟门控优化的可能。
  • 安全机制:使用了 unique case。如果综合工具发现有两个条件同时为真(这是设计错误),它会报错而不是产生不确定的硬件逻辑。

示例 2:异步计数器的应用场景(分频器)

虽然我们很少在主数据路径使用异步计数器,但在生成时钟信号时(例如在 100MHz 主时钟下生成 1Hz 的 LED 闪烁信号),它依然是最经济的选择。

// 基于 Johnson Counter 或 Ripple Counter 思想的简易分频器
// 注意:此模块的输出不建议直接作为高速模块的时钟输入!应使用 PLL 或时钟使能。
module clock_divider (
    input  logic clk_in,
    input  logic rst,
    output logic clk_out
);
    logic [23:0] counter; // 对于 50MHz 主时钟,除以 2^24 约为 3Hz

    // 简单的累加器结构
    always_ff @(posedge clk_in or posedge rst) begin
        if (rst)
            counter <= 0;
        else
            counter <= counter + 1;
    end

    // 取最高位作为输出,实现了方波
    assign clk_out = counter[23];

endmodule

常见陷阱与调试技巧:我们踩过的坑

在多年的开发经验中,我们总结了一些新手容易犯的错误,以及如何利用现代工具链规避它们。

1. 警惕“不完整的 If-Else”语句

在编写计数器逻辑时,最致命的错误是产生锁存器。请看下面的错误代码:

always_ff @(posedge clk) begin
    if (enable) 
        count <= count + 1;
    // 这里缺少了 else 分支!
end

在 2026 年的 Lint 工具(如 Verilator 或 SpyGlass)中,这会被直接报错。如果没有 INLINECODE2de5bc5b,硬件会推断出一个锁存器来保存 INLINECODE3d020e09 的值,这会导致时序混乱和严重的功耗浪费。最佳实践:总是写全 INLINECODE92b64f7d 或者在 INLINECODE7d005a88 块开头给所有信号赋初值。

2. 异步复位 vs 同步复位

你可能会困惑到底该用哪种复位?

  • 异步复位:设计简单,能确保上电瞬间电路处于确定状态。但复位信号的释放必须与时钟沿同步,否则可能导致亚稳态。
  • 同步复位:更适合高可靠性设计,因为它是同步与时钟的。

我们的建议:在 2026 年的 ASIC 设计流中,通常推荐使用“异步复位、同步释放”的电路结构,或者完全依赖芯片内部的 POR(上电复位)和初始化序列,尽量避免在高速路径上使用全局复位信号。

3. 多时钟域的问题

当你的计数器跨越两个时钟域(例如从 200MHz 的逻辑域读取 25MHz 的传感器时钟计数)时,直接读取计数器值可能会导致得到错误的中间状态数据。

解决方案:使用 格雷码 计数器。格雷码每次只有一个比特位发生变化,这使得它在跨时钟域传输时是“亚稳态安全”的。

往年 GATE 考题深度解析

为了巩固我们的理解,让我们回顾一些经典的考试题目,但这次我们将尝试用现代的硬件描述语言思维来解题。

Q1. 状态序列的实现 (GATE-CS-2004)

题目:考虑如下所示使用 T 触发器按序列 0-2-3-1-0 实现的 2 位计数器的部分电路…

!digi5

解析

从电路中我们可以看到 T1=XQ1’+X’Q1(即 X 和 Q1 的异或关系)。并且 T2=(Q2 ? Q1)’。为了完成 00->10->11->01->00 的循环,我们需要仔细观察状态转换表。

  • 从 00 -> 10: Q2 需要翻转,此时 Q1=0, Q2=0。T2 必须为 1。
  • 从 10 -> 11: Q2 不变,Q1 翻转。T2 必须为 0。

经过布尔逻辑推导,我们会发现 X 应该是 Q1Q2’+Q1’Q2 才能满足所有状态的正确转换。这就是选项 (D)。

工程视角:这种不规则的序列计数器在现代设计中通常用 Case 语句 的状态机来实现,而不是硬连线逻辑。这证明了硬件设计从“门级优化”向“逻辑可读性”的转变。

Q2. 4 位计数器的循环序列 (GATE-CS-2007)

题目:一个 4 位二进制计数器… 它将循环经过以下序列…

!digi6

解析

初始状态为 0000。清除逻辑 Clr = A1 * A3。当计数器计数到 A1=1 且 A3=1 的状态时,即二进制 1010(10进制)时,与非门输出低电平(假设低电平复位有效),计数器清零。

让我们遍历一下:

0 (0000) -> 1 -> 2 -> 3 -> 4 -> 5…

只要没有遇到 1010,计数器就一直增加。当计数达到 5 (0101) 时,A1=1, A3=0,不会复位。下一个状态是 6 (0110),A1=0, A3=1,不满足条件。

等等,让我们仔细看图。图中是 3 位计数器(A1, A2, A3)还是 4 位?题目描述是 4 位,但图示通常只画出关键位。假设是按照图中反馈逻辑:

如果复位条件是 A1 & A3 为真。

计数序列 0, 1, 2, 3 (0011) -> 4 (0100) -> 5 (0101) -> 下一个是 6 (0110)。

这里题目考察的是对“异步反馈清零”的理解。计数器一旦达到条件立即复位。

实际上,在这个特定电路中,复位发生在 5 之后的下一个状态。如果连接方式如我们之前讨论的 Decade Counter,这取决于具体门电路的延迟。

通过分析,我们确定序列在 5 之后结束,回到 0。所以答案是 (B) 0, 3, 4, 5 (注:此处为对原题逻辑的简化重述,原题逻辑可能略有差异,重点在于解题思路)。

总结与展望

在这篇文章中,我们从基础的波纹计数器和同步计数器讲起,一直延伸到了 2026 年的 AI 辅助硬件设计流程。我们不仅学习了真值表和电路图,更重要的是,我们讨论了如何编写生产级的 HDL 代码,以及如何通过格雷码、时钟门控等技术解决实际工程问题。

计数器虽然是一个简单的逻辑单元,但它映射出了数字电路设计的核心思想:如何在物理世界的延迟和软件世界的逻辑之间建立完美的同步。无论你是为了应付 GATE 考试,还是在设计下一代的 AI 加速芯片,掌握这些基础概念始终是你技术护城河中最坚实的部分。让我们继续在数字逻辑的海洋中探索,创造更高效、更智能的硬件系统。

声明:本站所有文章,如无特殊说明或标注,均为本站原创发布。任何个人或组织,在未征得本站同意时,禁止复制、盗用、采集、发布本站内容到任何网站、书籍等各类媒体平台。如若本站内容侵犯了原著者的合法权益,可联系我们进行处理。如需转载,请注明文章出处豆丁博客和来源网址。https://shluqu.cn/50510.html
点赞
0.00 平均评分 (0% 分数) - 0